Раздельное включение вентиляторов охлаждения двигателя на НИВЕ ВАЗ-21214
Ни для кого не секрет, что на автомобилях ВАЗ-21214 «НИВА» устанавливается сдвоенный электровентилятор системы охлаждения двигателя. Моторы вентиляторов имеют раздельное друг от друга подключение, но в родной схеме на Нивах 21214 предусмотрено только их совместное включение, что не всегда нужно и полезно. Ведь это повышенная нагрузка на бортовую сеть автомобиля, а нужна их совместная работа далеко не всегда (только в сильную жару и при сильных нагрузках на двигатель, когда возможен перегрев).
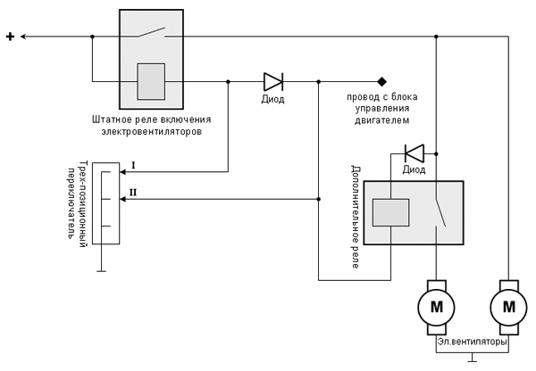
Ниже приведена принципиальная схема того, как можно установить клавишу для принудительного включения одного или двух вентиляторов не зависимо от штатной системы. Вот схема штатного подключения:
А вот вариант уже доработанный:
Принцип работы следующий:
0 (нулевое положение переключателя) - принудительное охлаждение выключено. Вентиляторы включатся только по сигналу штатного датчика системы охлаждения.
1 (первое положение переключателя) - постоянно работает только один из вентиляторов. Однако если все же сработает штатный датчик включения вентилятора - включится и второй вентилятор.
2 (второе положение переключателя) - работают оба вентилятора, аналогично штатному срабатыванию датчика.
Эта функция будет особенно полезна если Вы периодически попадаете в пробки.
Или просто мотор работает в температурном режиме близком к включению вентиляторов, что вызывает постоянное их включение и отключение.
Данная переделка не влияет на штатную работу включения вентиляторов обдува радиатора.


