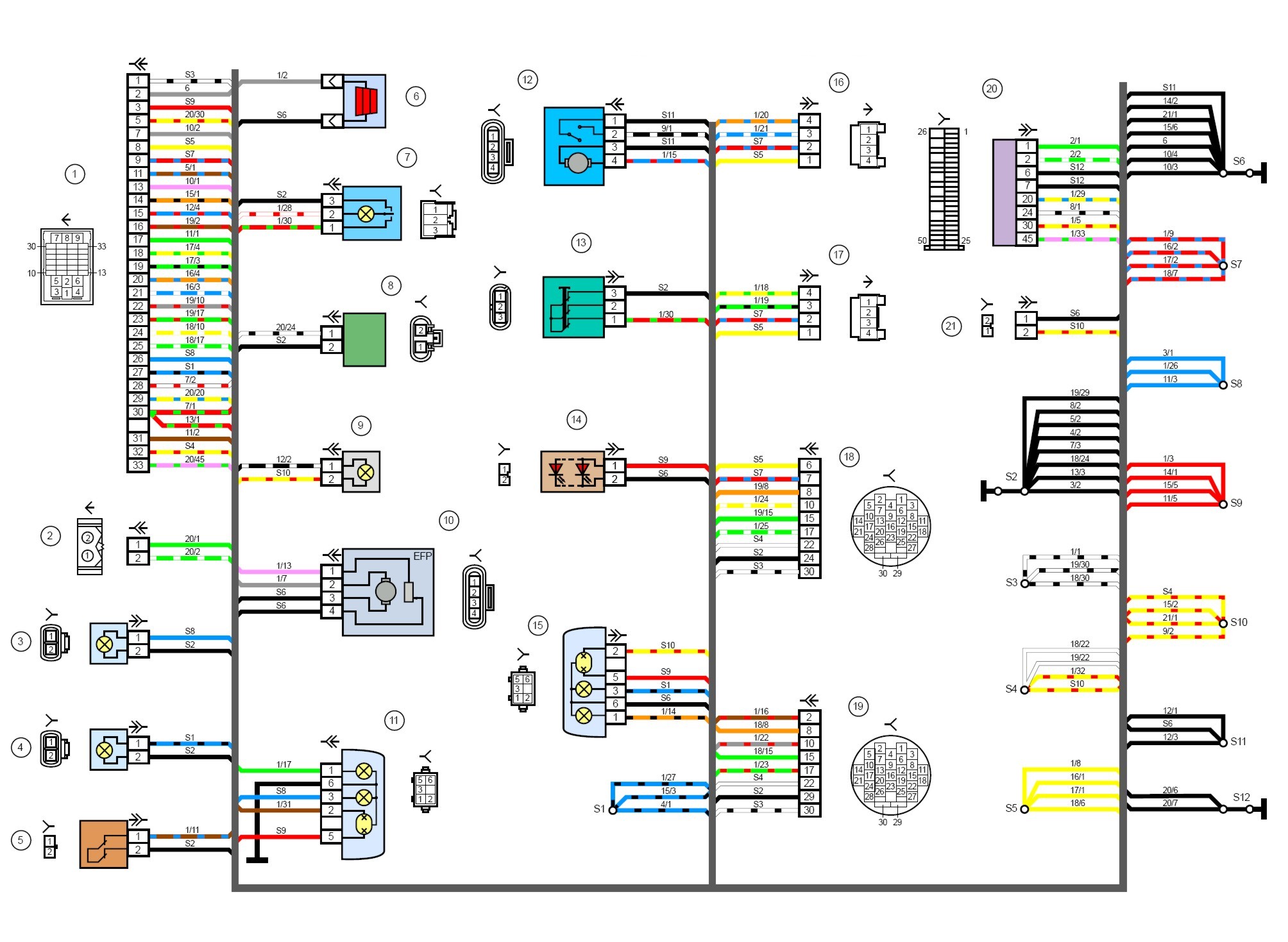
Схема электрических соединений жгута проводов заднего LADA GRANTA 21900
Схема электрических соединений жгута проводов заднего LADA GRANTA 21900
- колодка жгута проводов заднего к колодке жгута проводов панели приборов;
- колодка жгута проводов заднего к колодке жгута проводов панели приборов;
- боковой указатель поворотов правый;
- боковой указатель поворотов левый;
- датчик ручного тормоза;
- элемент обогрева заднего стекла;
- плафон освещения салона;
- выключатель в ремне безопасности водителя;
- фонарь освещения багажника;
- модуль электробензонасоса;
- фонарь правый;
- электродвигатель блокировки багажника;
- выключатель плафона освещения салона;
- дополнительный сигнал торможения;
- фонарь левый;
- колодка жгута проводов заднего к колодке жгута проводов задней левой двери;
- колодка жгута проводов заднего к колодке жгута проводов задней правой двери;
- колодка жгута проводов заднего к колодке жгута проводов передней правой двери;
- колодка жгута проводов заднего к колодке жгута проводов передней левой двери;
- блок управления надувных подушек безопасности;
- колодка жгута проводов заднего к колодке жгута проводов фонарей освещения номерного знака.
